Вы здесь
Все о гидравлике (насосы, гидрораспределители, цилиндры, дозаторы). Часть 2. Страница 1062 из 1066
Самые популярные темы
- инструмент и приспособления
- Все о гидравлике (насосы, гидрораспределители, цилиндры, дозаторы). Часть 2
- Если есть вопросы по отечественным ТНВД вам сюда!
- Все о гидравлике (насосы, гидрораспределители, цилиндры, дозаторы)
- народ у кого есть газ 4301.. или был.давайте сюда.как ремонтируете как обслуживаете и всё всё всё.....
- Ремонт и регулировка двигателей СМД.
- Фото-музей поломок.
- Ремонт трактора "Казахстан" (ДТ-75)
- Подключить преобразователь 191.3759-01 12-24 вольта на МТЗ
- Регулировка ТНВД и форсунок.

Какая навеска? Простая или моноблок
Да-все лишнее убирается. Недавно одному знакомому убирал на мтз 920 регулятор и ставил доп распред с куном в комплекте. Теперь родной распред работает на цилиндр навески и на задний прицеп и один резервный выход. Распред куна управляет подъёмом стрелы и вы ворот ковша-кнопка с дивертором управляет через линию ковша челюстью. Единственное изменение-слив канала управления пустили на сдвоенный штуцер слива с блокировки-родную трубку с этого канала на регулятор перегнул и подогнал к штуцеру на крышке гидробака.
Зачем такие сложности. Вывернул клапан управления и ввернул короткую заглушку. И доп слив ненвдо.
На том тракторе стоит обычный р80-3/4-222 а ни рп70. Поэтому там нечего выворачивать.
На том рп 70 о котором выше речь есть возможность вместо клапана управления регулятором ввернуть длинную заглушку и пустить подачу на сл распределитель. Любой хоть китаец хоть р 80. Заглушку можно выточить, там ничего сложного, если нет возможности найти. Размеры я когда то давно в этой теме сбрасывал..
А если стоит моноблок то и точить ничего не надо.
Я ещё не знаю, трактор не мой, знакомый попросил поинтересоваться, сам он тоже дуб в этой теме, а трактор сейчас в лесу. На днях пригонит, посмотрю и тогда точно узнаю что там и как, а пока собираю инфу. Кстати, Вам с Тойвовичем спасибо что откликнулись!
Подскажите насколько сложно и дорого собрать механизм чтобы цилиндр сам по себе переключался на выдвижение и задвижение, т.е. вышел до конца сразу обратно пошёл, за двинулся и стал обратно выдвигаться???
1.Чисто механически по такой схеме:

Только придеться на толкатель подбирать пружину и соотношение в рычагах что бы проскакивать нейтральное положение на распределителе.
2.Если с электрическим управлением распределитель, то пара концевиков и простая схема логическая.
3. Схема управления электрическая (на концевиках) и линейный актуатор для переключения механического распределителя.
ЗЫ. Лично я стал бы собирать по 3му варианту, там более предсказуемый результат чем в 1м, а 2й это если уже есть электроуправление.
А готовый клапан купить с плуга не проще и быстрее?
Я лишь спрашиваю как это возможно сделать. Может кто собирал подобное, знает как проще и дешевле это сделать
Что за клапан?
Спасибо
По третьему принципу можете примерную стоимость озвучить?
Сейчас вот вычитал что есть самореверсивный распред....
Распред для дровокола. Продает их например АрисУфа.
Много чего у них покупаю. Сейчас выписал распред с встроеным регулятором потока, то есть можно менять направление и скорость гидромотора, гидроцилиндра.
Посмотрю, что за зверь
Это смотря что есть из "хлама" в наличии.



Самое необходимое это актуатор. Вот на Озоне примерная стоимость нужного:
Концевые переключатели 2 шт или они есть, или покупать...можно простые
а можно "матерые" (надежные долговечные)
Ну и провода. И да еще блок питания потребуется или от аккумулятора 12В
Актуатор это то что будет перемещать рычаг распреда?
Написал им. Пока не ответили, но так в инете цена в 50 пока отпугивает
Да.
В виду отсутствия исходных условий, исходил из того что стоит задача с минимум вложений модернизировать обычную схему дровокола с ручным управлением: двусторонний цилиндр, моноблочный распределитель и приводом насоса от ДВС (или ВОМ).
Если же прорабатывается схема для вновь создаваемого дровокола, то такую задачу проще (и дешевле возможно) решить с использованием сразу распределителя с электроуправлением.
А если привод насоса будет электромотором, то можно вообще без распределителя обойтись (достаточно электроклапана будет). Логику работы задавать электрикой, а возврат штока в исходное состояние делать пружиной. (Как схема построения заводских китайских дровоколов)
Первый попавшийся запрос

Хочу сделать не совсем дровокол но принцип такой же.
У нас на работе китайские пресс ножницы для металла. Я вот и подумал а что если так же доски рубить, те что с гвоздями. Привод эл мотор, у меня даже где то лежал гидрораспределитель с эл управлением, так что возможно всё ещё бюджетнее обойдётся. Позже сфотаю его, покажу, мнение ваше узнать
Я на дровокол поставил приспособу буквой П и ломаю доски, по несколько штук сразу, и кругляк небольшой тоже ломаю....Уже писал об этом..
У меня на дровоколе похожая схема. Нажимаеш рычаг шток пошел вперед доходит до края и рычаг пружиной возвращается в положение "назад" . Только у моего дровокола дойдя до задней точки рычаг возвращается в нейтральное положение. Одному удобно колоть. А запрашиваемая тобой схема еще проще где то сохранен у меня ролик опилочного пресса с такой схемой. Там длинный рычаг пружина (как на двери возвратная) и тяга
Я тоже думал об этом, но доски длинные бывают, неудобно будет постоянно тянуться идти бегать к рычагу
.......Так помощника возьми, у меня как то немного жена помогала и ей понравилось рычагом работать, работа то не пыльная..
Не советую, моя жена то же вызвалась помочь, то же нравится, в итоге без ногтя на пальце на руке и на ноге.
Нет у меня жены))) да и пособника некогда, у всех свои дела....
Ну ладно на руке. А нога то как попала под раздачу?
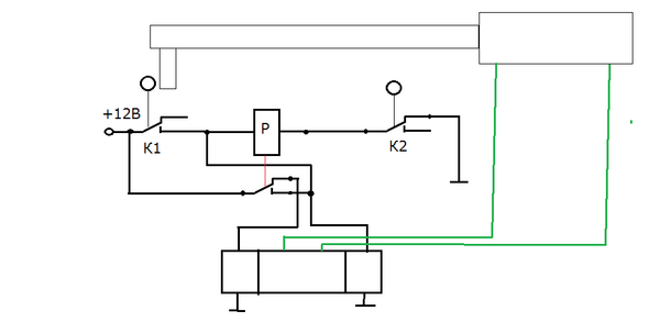
Если он рабочий, то на основе его можно реализовать вашу задумку. Зациклить можно по такой схеме:

К1, К2 - концевые выключатели с переключающим контактом, Р - реле на 12В с переключающим контактом.
Это для 12В. Если распределитель на другое напряжение, то или подбирать реле на нужное напряжение, или развязывать через дополнительное реле.
С небольшими добавлениями можно сделать и "ручной" режим.
Я ответил на вопрос про "проще". На любом современном оборотном плуге стоит клапан - цилиндр ходит туда-обратно за один цикл.
Надо поискать.
А как это возможно, если только рычагом управлять ?