Вы здесь
инструмент и приспособления. Страница 1305 из 1311
Самые популярные темы
- инструмент и приспособления
- Все о гидравлике (насосы, гидрораспределители, цилиндры, дозаторы). Часть 2
- Если есть вопросы по отечественным ТНВД вам сюда!
- Все о гидравлике (насосы, гидрораспределители, цилиндры, дозаторы)
- народ у кого есть газ 4301.. или был.давайте сюда.как ремонтируете как обслуживаете и всё всё всё.....
- Ремонт и регулировка двигателей СМД.
- Фото-музей поломок.
- Ремонт трактора "Казахстан" (ДТ-75)
- Подключить преобразователь 191.3759-01 12-24 вольта на МТЗ
- Регулировка ТНВД и форсунок.

А я для зип не купил. Купить то же надо на запас
Да не спеши. У Авроры в горелках обычно нормальные кольца. Долго ходят. Это я купил пятиметровую Сварог м15. На ней изначально кольцо было слишком большого размера. Скорей всего 5х1, а не 4х1. Болталось на этом кончике и при соединении его закусывало. Вот при каждом соединении по кусочку откусывало и докусало до конца. Там если кольцо плотно сидит, то ему сносу нет.
Вообще, хочу на других горелках попробовать сделать такие же курки. Пока не знаю получится ли, но как время будет, попробую.
Кедр горелка у меня, с утиля подобрана, сама вся затёртая, а кольцо как новое. А нравится она мне курком. Он очень мягкий и очень четко отзывается на нажатие, в самом начале хода курка. Поэтому во первых палец не устает благодаря мягкости. Во вторых не бывает случаев, когда завтыкал и ослабив нажатие отключил подачу. То есть тут чтоб отключилось, надо почти полностью отпустить курок. А настолько сильно я не втыкаю.
Я же то же купил 24*5метров. Фиг знает что там стоит за кольцо.
ЗИП всеравно нужно собирать полный.
Сейчас кислородный заказал 10 метров ф6 и хомут 4 шт - два в ЗИП. Завтра привезут
Решил 205 оставить. Ролик надо ещё заказать.
И потом понесется: струбцины уголки магнитные и т.д. Сетевой 4мм2 7метров - родной кабель у аппарата сниму. Вилку сетевую не могу найти на 25А, придется купить 16 и провода на болтик и на пайку (так делал уже - норм)
Приветствую.
В они есть на 25?
Надо и розетку соответственно.
А если так .
А если съездить куда придется?Обычные розетки , на пружинках, нормально держат, если конечно на 200 амперах не смалить.
Есть. Розетки у меня 25. А вот с вилками - очень редко их продают - дорогии и никто не возит.
С большими вилками - меньше мобильность но можно переходник сделать - то же как вариант. Переходник из сетевого шнура от аппарата.
Мысль кстати неплохая, но вилку на пайку - проще, мобильность и дешевле.
обычные бытовые розетки?
Розетки у меня такии
Второе фото.
Но контакты там по всей площади прижимаются а не с двух боков
Первое фото
В гараже - после увеличения, поэтому фото размыто. На розетке крышка от пыли есть...
Третье фото.
На этих розетках написано 16А но они раньше шли с надписью 25А и отверстие под провод чуть толще и три медных трубочки для многожильного провода и кольца (пружинные) крышка резиновая от пыли.
Сейчас надпись 16 и трубочек и пружинок нет.
Вообще не греются, хотя автомат 25 выбивает когда дуговой резал 4 электродом.
В одном гараже у меня однп для сварки а остальные розетки обычные (поэтому сетевой у сварки хочу длиньше) а в другом гараже все 4 шт по углам такии. Бывают на 3 розетки но там внутрянка не понравилась как сделано между розетками и не стал брать - хлипковато.
Вообще не проблема. Но ещё освещение жрет и например болгарку 0.8 кВт и входной автомат вырубает зараза 25А - приходится половину освещения вырубать и только сварка - тогда норм.
Я лет 20 назад купил телевизор ...
Плоский экран.широкоформатный.крутой потом временам.стоил 17 тыр.
Lg с выпуклым тогда стоил около 6.
Короче посмотрел на витрине .оплатил и уехал.часа через 2 его привезли...
Мы вдвоем его еле затащили.тяжелый пиздец.
Lg я одной ругой поднимал)))
И когда включался как с пускачем)))
Такой звук ууууу))
Ну работал хорошо .да и шас работает..только вышел из моды)))
Никак руки не дойдут глянуть что за кирпичи они туда насовали...
Даже совеский горизонт или рекор весили оаза в 2 меньше)))
Подскажите" купил фонарь на 3 элемента, должна быть зарядка но ее не поставили. Шнур для усб есть Какую зарядку можно к нему использовать кто знает? На какие параметры смотреть?
Блок зарядки от смартфона до 2х ампер.
Точно? А как же перезаряд - зарядка 5 В, а тут 4.2 В? Несколько страниц выше разве не обсуждали, что перезаряд (в смысле выше номинала) представляет опасность для аккумулятора?
https://www.ozon.ru/seller/soyuztehnologiya-2173505/?miniapp=seller_2173505
себе на плазму также делал
https://www.ozon.ru/product/vilka-elektricheskaya-32a-220-1-sht-16323052...
Сегодня АКБ с реплики дали 5*2 элементов. Нет мощности.
Вскрыл и афигел немного. Первая паралель замкнут один элемент а второй 0.0 вольта. Другии 4 пары заряжены по 4.95 вольта.
Плата: тепловик (видать он отключил заряд), 1 транзистор и только общий вольтаж: на микруху межбанковой связи нет вообще, только плюс и минус 18 вольт.
Ёмкости снял и утопил для разряда и на утилизацию. Плату с корпусом собрал и отдал. И новый АКБ он купил.
Блин - не сфоткал внутри. Если такая какашка будет ещё с такой платой обязательно сфоткаю.
Если покупаете реплику - не поленитесь и посмотрите плату. С такими платами как описал - ахринеть как не безопасно.
А я разве предлагаю подключать этот блок напрямую до аккумуляторов?

Там есть разъём тип Си. К нему подрубать. Внутри фонарика плата заряда/разряда и индикации заряда. Так что 5 вольт не имеют отношения к аккумуляторам.
Блин сидит все плотно, побоялся ковырять чтобы не сломать.В нем сверху усб широкий вход наверное для подзарядки телефона а снизу усб наверное " с" маленький для заряда. еще красная лампа и три зеленых светодиода наверное для контроля батарей. Как то так
Там микросхема заряда и индикация заряда с 4 диодами. На фото у костомар.
Микруха правда номинал не видно. Что бы не рисковать : лучше Зу не больше 1.0 А.
Был бы номинал можно было бы посмотреть датушит микрухи и точные А.
Вооооооо такой. Только цена 1090 руб магазин " Немецкие технологии" написано с зарядным устройством, но никакого устройства не было.
Благодарствую, буду искать зарядку 1 а.
Правильно понимаю, что напрямую аккумулятор 4.2 вольта заряжать от 5 вольтового з.у. нельзя?
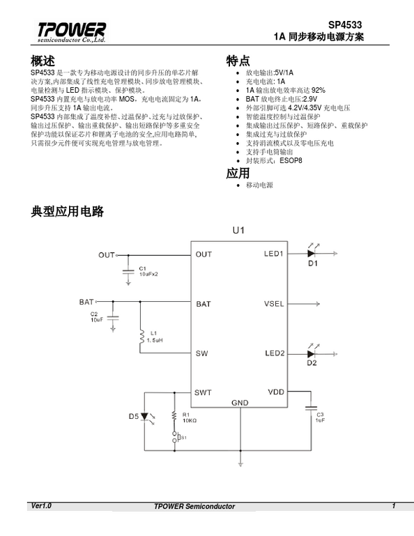
Нашел в отзывах. SP4533.

Литий АКБ без платы защиты использовать нельзя.
Правильно. Раньше были фонарики с гнездом зарядки напрямую подключены к аккумуляторам. Но там зарядчик был 4.2В.

5 вольт 1а
Сначала не понял структуру.
Классная микруха
Сыну покупал радиоуправляемый вертолет - в деревне до сих пор целый.
Там то же такой Зу. И на ёмкости нет платы.
С такими Зу пару раз высаживал ниже 2.5 вольт - забыл выключить вертолет.
Поэтому микросхему ставят на плату в фонарике.. Да и блок питания у всех дома есть от телефона и можно Зу в комплект не ложить. А микросхема стоит всего 0.5 юани - 5 руб.
А как ее разобрать в магазине или пвз, что скажут продавцы и как делать возврат если косяк?
Понятно что дома. Реплику нет гарантии и если забрали с ПВз можете про гарантию забыть. Пришли и вскрыли. Если плата без тепловика и диагностики на все элементы - поменяйте плату. Недавно замену платы рассматривали
Так же TP4333 и т.д. просто разный производитель и по току.
Прикольная микросхема. И для АКБ и для светодиодов. Встроенный выключатель. С выходом на индикацию режима работы Зу и выход два канала на светодиоды - походу несколько режимов работы можно.
А вторая микросхема в фонарике - это индикация степени заряда АКБ.
Вся эта плата в фонарике сибестоимость руб 50 максимум.
Ради прикола захотелось свой фонарик разобрать и заодно элемент получше поставить