Вы здесь
Самодельные минитракторы. Часть 5. Страница 695 из 714
Самые популярные темы
- Самодельные минитракторы. Часть 4
- самодельные минитракторы
- Трактор "Бизон" - вопросы, ответы, обсуждение
- Изготовление с-х техники для фермеров в домашних условиях
- Самодельные минитракторы. Часть 5
- Сварочные аппараты, расходники и технология сварки. Часть 2
- миниэксковатор . Часть 2
- Самодельные минитракторы - 2. Продолжение
- самодельные приспособления для обработки металов (токарные, фрезерные станки и др)
- Самодельная телега

А ещё вес. Насчёт развесовки то да, если передок лёгкий, управляемости не будет. Знаю потому что сам вешал маховики наперед.
Хочу поинтересоваться насчёт гусеничного хода.
На Ютубе видел гусеничный минитракторец с мостами ВАЗ. Бегает и таскает вроде бы неплохо.
Но, со всех сторон комментаторы начали орать, что , дескать, поворот на дифе это хрень и что он скоро развалиться....
А у другого тоже мосты ваз, но поворачивает он притормаживая ту или иную сторону - и ничего, все коментаторы либо бурно восторгались, либо тихо млели....
Так вот я не пойму: в том и другом случае для поворотов всё равно задействуется диф, верно?
Тогда, почему в первом случае диф разваливается, а во втором, якобы ,нет?
И, если что, как правильно делать?
судя по описанию, в обеих случаях дифповорот, но без подробностей конструктива ничего не скажешь.
https://lunohoda.net/forum/viewforum.php?f=307&sid=e2bc909c2635ef1836175...
Правильно по схеме обычного промышленного гусеничного трактора: разделение момента от ДВС на два независимых направления и на гусеницу передавать момент через фрикцион (разрывает передачу момента) и потом тормоз для блокирования гусеницы.
Если через дифференциал подводить момент к гусенице, то любой поворот происходит тормозом и вызывает работу сателитов на которую они не рассчитаны. В колесном тракторе поворот через торможение колеса происходит гораздо реже, поэтому там дифференциал живет дольше. И на гусенице моменты возникающие на сателитах гораздо больше чем на колесе, колесо легче уходит в пробуксовку.
Видел у Шурика чебуратор? У него поворот засчет дифа. Он не гусеничный конечно, но очень интересный привод
Да уж....
Такое "на коленке" не повторить!
Видимо придется смотреть в сторону гидрохода - отдельные гидромоторы на каждый борт!
(типа как у того мужика на Форумхаусе, только на гусеницах!)
Да, привод интересный!
Почитал немного о нем: это т.н. "привод Робсона", в народе "медведка"!
В моем случае, думаю, мало чем может помочь!
(Имхо!)
ЗЫ.
А может - в порядке бреда - взять мост/редуктор побольше да сателлиты его диффа посадить на какие-нибудь подшипники?
(Не игольчатые, а что-то"повзрослей"!)
Поможет?
Александр, а вес техники какой примерно будет?
Ну в теории и я это понимаю. Но сам знаешь. Тут иногда идем вообще против всех законов физики и механики и вообще против вселенского разума
, и причем часто получаются весьма интересные экземпляры. Собственно по этому и обратился. Выслушать разные мнения, послушать тех кто уже на собственном опыте проехал этот этап, взвесить все за и против, а потом уж принять решение. По сути мне нужно что бы эта табуретка могла таскать картофелесажалку, окучники, ботвосбивалку, копалку. Никаких транспортных работ. Всё не вылазия даже за пределы огорода
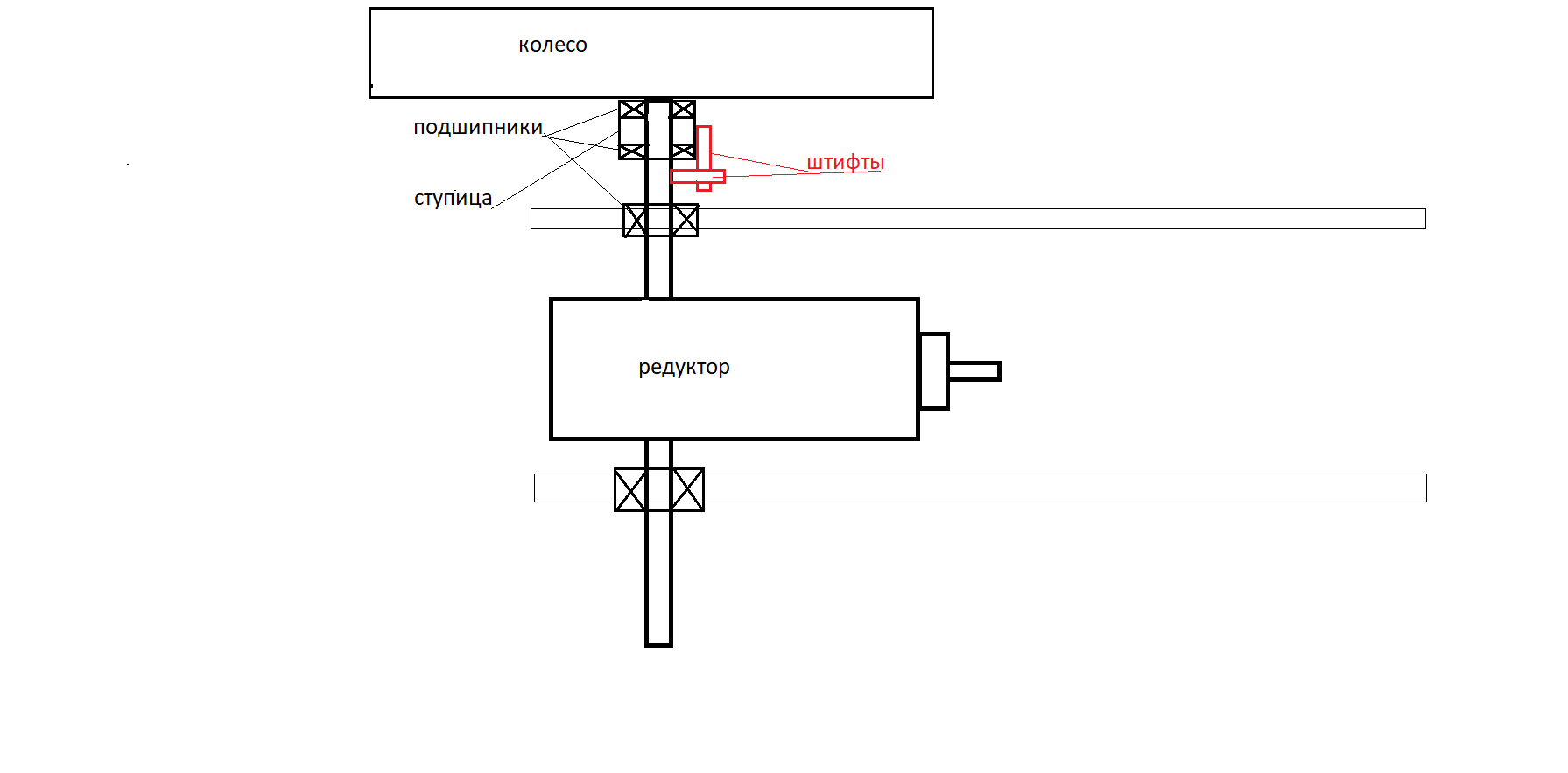
Делали такой трактор, (нашел похожий редуктор но почему то не загружается с рабочего стола). Уменьшал в 6 раз , КПП газ 51 . Двигатель ЗИД Сцепление ГАЗ 51.
Вот похожий редуктор, вал был сквозным наверное на 40не помню(прошло около 40лет) на концах самодельные ступицы.
Для каких целей трактор? На ютубе есть Мишаня 90(точно не помню) у него трактор гусеничный много лет. Двигатель у него с иномарки Часто рвало полуоси сейчас он поставил мост от УАЗа. А мне больше нравится схема когда одна гусеница вращается вправо другая влево без подтормаживания.Добится этого можно гидромоторами или ремнями. Гидромоторами даже придумать ничего не мог. А ремнями Иван Филоненко подсказал как делать. Если техника небольшая с китайским мотором , можно ремнями.
По всем прикидкам, грубо, около 3 т набирается!
Не трактор - скорее что-то больше к вездеходам относится.
(Но что-то там перевезти, что-нибудь дёрнуть/отбуксировать, не слишком большое/тяжёлое!).
Вообще, как можно более универсальный...
Мишаня 87, если не путаю!
Я смотрел его видео, понравилась его идея с рулевой рейкой.Но, опять, тот же диф...
На чипмейкере есть похожая тема про гидроход. Там тоже был замысел с рейкой, но уже регулирующей потоки на бортовые гидромоторы.
Жаль тему закрыли.
А так, "красиво" было задумано!
Попадалась такая схема из готовых элементов:
Берется два моста в качестве углового редуктора (с заваренным дифом имеем понижение около 4).
На стороне колеса остаются штатные тормоза, на входе каждого моста делается фрикцион на основе сцепления авто, привод на эти фрикционы либо цепями, либо с раздатки и далее КПП, ДВС. Здесь единственно спорно-неясный момент это фрикцион на какой момент, точнее с какого авто брать. А так полноценная схема для гусеничного движетеля.
Да. Что то похожее. Один вал вперёд, второй сквозной на две стороны. Какая колея у вашего трактора была? Как в плане управления он был?
Да, "красиво"! Надо подумать!
Имхо: фрикционы, из сцеп, нужно не на мосту, а сразу после КПП делать..
(Это, как мне кажется, похоже на схему Т-150)
"Запас карман не трет!" )))!
(Чем больше - тем лучше! До чего "дотянемся" то и поставим!)
Оно так и есть, так нагляднее будет:

Расположением элементов можно "играться" исходя из развесовки.
Ну и как бонус, эта схема уже готовая заготовка под гидроход (что позволит осуществить одновременное вращение гусениц во встречных направлениях). Вместо фрикционов на раздатке ставятся насосы, а на мосту моторы.
Колея была в районе метра , эа счет ступиц и штифтов рулил нормально. Но походил недолго, поторопился и забыл налить масло в редуктор совсем . он вскоре заклинил размолов при этом все внутри . А в то время другой не найти. Вот примерная схема.
для "дома-для семьи", когда выезд пару раз в месяц даже жигулевского дифа хватит на долго, это уже проверено.
а основной минус дифповорота, это увеличение скорости в два раза при повороте. к этому надо привыкнуть, и если на вездеходе в чистом поле это не такая уж и беда, то на тракторе, в ограниченном пространстве аккуратное маневрирование при двойном ускорении не комфортно, минимум снесешь забор....
ну и из-за этого ускорения, соответственно нужно подать мощность большую.
по ссылке на луноходах такое уже было реализовано.
Это вроде как на мотоблоки делают простые поворотные ступицы типа разблокираторы?
основная проблема для поворота дифом, это трактор на асфальте сухой земле имеет очень плохой поворот.
Поворот плюс зависит от развесовки трактора.
Доходило до того, что гнуло колодки, т.к. создавамое усилие на рычаге ГТЦ стороны видимо в разы выше,чем ты давишь педаль ногой.
Я вообще думал на лето ставить передние поворотные колеса с обычного трактора.
От варианта с диф разворотом можешь отказываться сразу.
он рабочий, диф будет ходить долго, но ты замучаешься с разворотом летом.
Разворот просто жопа в данном варианте.
Мосты в этой схеме, думаю лишнии, при использовании гидромоторов, достаточно бортовых редукторов, скажем от т 16-25.у них понижение в районе 6, хороший запас прочности. На разборках тракторов они не редкость и на авито тоже.
У него вес планируется под 3 т., так что жигулёвский не катит....
мужики - никто не за дорого мост передний с оки не продает?
нужны в общем ступицы с кулаками или как они там с шаровыми короче и рулевыми наконечниками.
Где-то читал, что при таком повороте нагрузки на ходовую возрастают многократно, по сравнению со "стоп-бопт", когда вращается только одна гусеница.
(Ничего не утверждаю!)
(Ок. Значит отпадает!)
Ещё не дочитал до этого, пока разбираюсь что да как на форуме!
Я как-то раздумывал о схеме с использованием главной передачи ДТ-75!
И проскальзнула мысль о бортовых планетарных редукторах из распиленной надвое этой главной передачи...
(Сателлиты мощные, на "иголках" и т.д.).
Потом как-то подзабылось.
Сейчас вспомнил, интересно такие "редуктора" имеют право на жизнь?
Гидропривод был бы вообще самым простым и желанным вариантом.
Чуть позже (если найду) кину ссылку на чипмейкер с тёмой, заинтересовавшей меня очень!
(Может здесь всем миром что-то придумаем!)
Если изначально делать на гидроход, то да. Если переходить в последствии на гидроход, то минимум переделок в такой схеме. И возможен "откат" к начальной схеме если что то пойдет не так с переделкой.
Вот летом то не изобреталось? Лежит в деревне, по моему кулаки в сборе, а может ступицы с тормозными дисками,и рейка и подрамник, но когда теперь поеду, неизвестно, может после нового года
Летом другие дела были
глянь, мне не к спеху.