А то , что только при установке вентилятора в разы большей мощности привелО к проблемам - это фикция....
Какой в разы большей мощность? Канал управления вентилятором рассчитан на 1 ампер, то есть 220 ватт максимум, а учитывая индуктивный характер нагрузки, то в разы меньше. Не путайте вентилятор проветривания с основным вентилятором инкубатора.
А то , что только при установке вентилятора в разы большей мощности привелО к проблемам - это фикция....
Какой в разы большей мощность? Канал управления вентилятором рассчитан на 1 ампер, то есть 220 ватт максимум, а учитывая индуктивный характер нагрузки, то в разы меньше. Не путайте вентилятор проветривания с основным вентилятором инкубатора.
Тут и путать нечего....проблемы начались только после!!!!! - повторю - ПОСЛЕ- установки вентилятора БОЛЬШЕЙ мощности....и искать причину где то ещё - нет оснований.....
К тому же = если как ВЫ говорите мощность несущественна - то и сбоя бы НЕ происходило.....ведь нет ни искрения ни причин для него??
Рубль пролетел мимо...пока искали 5 копеек в чужом глазу??
У ХМ 18 го - есть клеммы резервного питания - подключите бесперебойник и проблема обнуления не будет возникать при включении вентилятора...любой мощности...это уже проходили и в этой теме то же...неоднократно причем!
У ХМ 18 го - есть клеммы резервного питания - подключите бесперебойник и проблема обнуления не будет возникать при включении вентилятора...любой мощности...это уже проходили и в этой теме то же...неоднократно причем!
В том то и дело что пробовал. Это первое что посоветовали. Не помогло. Скорее всего все же дело в самой релюхе. Я ее полностью выпаял, надо будет расковырять посмотреть что там внутри. Был уже опыт разборки отказавших релюх с нагрева. Так там был сплошной кошмар.
Тут и путать нечего....проблемы начались только после!!!!! - повторю - ПОСЛЕ- установки вентилятора БОЛЬШЕЙ мощности....и искать причину где то ещё - нет оснований....
К тому же = если как ВЫ говорите мощность несущественна - то и сбоя бы НЕ происходило.....ведь нет ни искрения ни причин для него??
Подключение вентилятора большей мощности привело к тому, что слабые контакты стали подгорать.
И появилось искрение. А искра - это мощный источник помех, приводящий к сбоям в электронной аппаратуре. Пора бы это знать. Не зря ведь придумали искрогасящие цепочки и ставят их параллельно контактам реле. Мощность нагревателей в любом инкубаторе существенно больше мощности вентилятора проветривания, но их включение не приводит к сбоям. Значит причина не в мощности, а в чем -то другом. В чем? Попробуйте угадать с одного раза.
Ребята. В любом случае вопрос закрыт. Яж написал что после замены реле этого вентилятора на твердртельное проблема исчезла. Значит там и была собака зарыта. Так смысл теперь спорить?
Тут и путать нечего....проблемы начались только после!!!!! - повторю - ПОСЛЕ- установки вентилятора БОЛЬШЕЙ мощности....и искать причину где то ещё - нет оснований....
К тому же = если как ВЫ говорите мощность несущественна - то и сбоя бы НЕ происходило.....ведь нет ни искрения ни причин для него??
Подключение вентилятора большей мощности привело к тому, что слабые контакты стали подгорать.
И появилось искрение. А искра - это мощный источник помех, приводящий к сбоям в электронной аппаратуре. Пора бы это знать. Не зря ведь придумали искрогасящие цепочки и ставят их параллельно контактам реле. Мощность нагревателей в любом инкубаторе существенно больше мощности вентилятора проветривания, но их включение не приводит к сбоям. Значит причина не в мощности, а в чем -то другом. В чем? Попробуйте угадать с одного раза.
Ну если ВЫ - НЕ видите разницы между нагрузкой - НАгревателем.....и нагрузкой двигателем - у которого потребляемый ток в момент запуска и в рабочем режиме отличается в РАЗЫ - то о чем говорить.....
ВЫ прочтите хотя бы слова ТС - о том что сбой происходил именно в момент запуска вентилятора!!!! а не в момент включения нагревателей.....
Ребята. В любом случае вопрос закрыт. Яж написал что после замены реле этого вентилятора на твердртельное проблема исчезла. Значит там и была собака зарыта. Так смысл теперь спорить?
Так ведь остались те, кто в это не верит и продолжает настаивать на своей единственно верной версии. А скорее всего просто троллит от нечего делать.
Это сообщение будет удалено автоматически 08-04-2021 в 9:34:41 Пожалуйста, не ставьте полезные ответы на автоудаление, это нарушает порядок обсуждения. Эта функция служит для удаления флуда и ошибок
Да и Вы мало чем отличаетесь от описываемых некоторых.....особенно когда сравнивать эл.двигатель с теном пытаетесь.....
Да и Вы мало чем отличаетесь от описываемых некоторых.....особенно когда сравнивать эл.двигатель с теном пытаетесь.....
Вот действительно врешь и не краснеешь. Не сравнивал Юрий Павлович двигатель с тэном, он сравнивал их мощности. А мощность она и в Африке мощность. Вопрос на засыпку, можно сравнить мощность лошади с мощьностью тэна и будет ли это сравнение лошади с тэном?
Это сообщение будет удалено автоматически 08-04-2021 в 20:27:11 Пожалуйста, не ставьте полезные ответы на автоудаление, это нарушает порядок обсуждения. Эта функция служит для удаления флуда и ошибок
Ну если ВЫ - НЕ видите разницы между нагрузкой - НАгревателем.....и нагрузкой двигателем - у которого потребляемый ток в момент запуска и в рабочем режиме отличается в РАЗЫ - то о чем говорить.....
Ну хватит врать. Я четко написал, что Мощность вентилятора 10-20 ватт, при пуске это максимум 200 ватт. В 10 раз, взял по максимуму.Ну да для индуктивной нагрузки правильно писать ВА, а для активной ВАТТ, но сути это не меняет. А если не знаешь какая связь между током и мощностью, то действительно говорить не о чем. [изображение]
Это сообщение будет удалено автоматически 08-04-2021 в 19:41:24 Пожалуйста, не ставьте полезные ответы на автоудаление, это нарушает порядок обсуждения. Эта функция служит для удаления флуда и ошибок
Я не о том КАК писать.....а о том что такие нагрузки не стоит сравнивать.....так что перевирать у Вас неплохо выходит тоже.....
А тот факт что проблема появилась именно в момент включения вентилятора - это вообще можно в расчеты не брать....особенно "гениям" электроники.....
А тот факт что проблема появилась именно в момент включения вентилятора - это вообще можно в расчеты не брать....особенно "гениям" электроники.....
Владислав, завидуешь, что этот гений электроники, по краткому описанию проблемы, именно этот факт взял во внимание и одной из двух причин указал искрение контактов. А что ценного в твоих комментариях? Переливание воды из пустого в порожнее и обсуждение других.
Извини что на ты, на Вы только к тем, кого уважаю.
Это сообщение будет удалено автоматически 09-04-2021 в 8:21:08 Пожалуйста, не ставьте полезные ответы на автоудаление, это нарушает порядок обсуждения. Эта функция служит для удаления флуда и ошибок
Так это ты завидуешь....
А Я все реле сразу же выпаиваю и заменяю...без поисков советов гениев....не нравится мне их надежность ещё со времен занятий в радиокружке в школе....(хотя и убрать искрение легко RC цепочкой)
А при сбросе к заводским калибровка не обнуляется?
Обнуляется.
В общем то что могли всё перепробовали. Ничего не помогает. Может он там чего неправильно делает. В общем заберу на днях домой займусь. Потом напишу что да как.
При искрении контакта вентилятора при вкл/откл можно применить искрогасящую цепь, это конденсатор 0,01...0,1 мкФ (рабочее напряжение не менее 400В) и резистор 39...68 Ом на 2...5 вт соединеные последовательно и эта цепь далее подключается паралельно контактам вкл/откл вентилятора. В качестве примера можно посмотреть даташит на симистор BTA16-600 и оптрон MOC3061 где приводтся пример их включения, там искрогасящая цепочка подключена паралельно симистору. Для слабого искрения это работает, для сильного искрения не испытывал, но можно попробовать.
какая искра в симисторе? Снабер эта цепочка называется.И не для искры она ставится.Не вводите народ в заблуждение
какая искра в симисторе? Снабер эта цепочка называется.И не для искры она ставится.Не вводите народ в заблуждение
Да, снабер (последовательно соединенные конденсатор и резистор в одном корпусе) гасит напряжение самоиндукции при отключении индуктивной нагрузки и защищает коммутационный прибор от пробоя повышенным напряжением. Были случаи когда прошивало конденсатор снабера, который был на 400 вольт и выгорал резистор , по этому желательно ставить конденсатор на 630 вольт. Такая же роль и у диода, подключаемого в обратном направлении параллельно обмотке реле в цепи постоянного тока. Снабер, подключенный параллельно контактам реле- это всё таки искрогасящая цепочка. Искрогасящая цепочка параллельно симистору-это конечно нонсенс, но назовите эту же цепочку снабером и это уже защитник симистора от пробоя. Вот такой вот парадокс "Как вы яхту назовёте, так она и поплывет".
Прошу подсказать. Кантролер ХМ 18 после зимы запустил инкубатор 2 дня в холостую полет нормальный. На 3 день показания температуры ХМ18 и техметра тм2 начали разница на1-1,3 градуса. Вопрос может ли датчик ХМ18 показывать некоректно.
показания температуры ХМ18 и техметра тм2 начали разница на1-1,3 градуса. Вопрос может ли датчик ХМ18 показывать некоректн.
А техметр - это цифровой ТМ-2? проблема решается просто: оба датчика - от ХМ-18 и от ТМ-2 подмышку или под язык и градусник туда же и будет понятно кто врёт. А можно оба датчика и градусник в теплую воду. У ТМ-2 могли батарейки подсесть.
Батарейки новые ,подмышку не получится все установлено так что к нему не подлесть .А снимать вытаскивать долго . Сегодня возьму психометр Вит 2 и проверю.
Здравствуйте столкнулся с проблемой на xm 18 при нажатии set и кнопки вниз не входит в настройки поворота. Отдельно кнопки работают как set так и кнопка вниз и в ручном режиме поворотный механизм работает штатно. Кто то сталкивался с таким?
А при нажатии set и кнопки вверх выходит на параметр "Р"? Сброс к заводским настройкам пробовали?
При нажатии set и вверх выходит на параметры p там всё хорошо. Сброс сделал не помогло. Этот инкубатор у меня стоял 2 года до этого всё работала. Ещё заметил когда пищит тревога в это время нажимаю на set и кнопку вниз писк ускоряется. Ни как не пойму что с ним.
Добрый вечер. Прочитала почти всю тему, в поисках ответа. С хм такая проблема:Дано: хм 18, на 15/16 подключен компьютерный вентилятор для охлаждения через понижайку. С первого раза, как подключили, вентилятор крутит не переставая, на настройки никак не реагирует, просто крутит постоянно на одной скорости. Всё остальное работает отлично. Верно ли я понимаю, что скорее всего проблема с реле внутри?
Здравствуйте. Стоит 38,1. Уже не знаю, что и думать ( попробую уже на днях, запустили инкубатор. Придётся вентиль включать через таймер с умной розеткой, если адекватно не заработает.
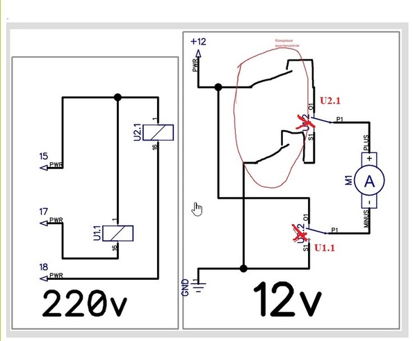
Заинтересовала вот эта схема справа, она вроде подойдёт для актуатора ? Но вот вопрос поворот же будет крутиться в одну сторону в часах а в другую в секундах. То есть максимально 16 минут будет стоять в одну сторону лоток правильно ? Или я чего то не понимаю ?
Заинтересовала вот эта схема справа, она вроде подойдёт для актуатора ? Но вот вопрос поворот же будет крутиться в одну сторону в часах а в другую в секундах. То есть максимально 16 минут будет стоять в одну сторону лоток правильно ? Или я чего то не понимаю ?
В актуаторе есть концевики, которые отключают его в крайних положениях. При смене полярности напряжения актуатор крутит в другую сторону. Если применить какой-то другой двигатель, то концевики надо ставить отдельно.
А таймер должен включать поворот каждые 1-3 часа (F1=60-180) на время (F2=999) большее чем время поворота лотков
Заинтересовала вот эта схема справа, она вроде подойдёт для актуатора ? Но вот вопрос поворот же будет крутиться в одну сторону в часах а в другую в секундах. То есть максимально 16 минут будет стоять в одну сторону лоток правильно ? Или я чего то не понимаю ?
В актуаторе есть концевики, которые отключают его в крайних положениях. При смене полярности напряжения актуатор крутит в другую сторону. Если применить какой-то другой двигатель, то концевики надо ставить отдельно.
А таймер должен включать поворот каждые 1-3 часа (F1=60-180) на время (F2=999) большее чем время поворота лотков
Спасибо.. Почему то у меня не правильно работает.. Я собрал вот по этой схеме на мотор редукторе на 12 вольт с концевиками , где ошибка ? Можете правильную схему скинуть ?
< Почему то у меня не правильно работает.. Я собрал вот по этой схеме на мотор редукторе на 12 вольт с концевиками , где ошибка ? Можете правильную схему скинуть ?
Схема очень даже правильная. Что тут может работать неправильно? Возможно концевики перепутали местами. Лотки идут влево, а нажимают на правый концевик. Что за мотор и диоды соответствуют току мотора?
< Почему то у меня не правильно работает.. Я собрал вот по этой схеме на мотор редукторе на 12 вольт с концевиками , где ошибка ? Можете правильную схему скинуть ?
Схема очень даже правильная. Что тут может работать неправильно? Возможно концевики перепутали местами. Лотки идут влево, а нажимают на правый концевик.
У меня другой контроллер выход всего один (а не два как на ХМ18) и реле одно.. Вот по этому и трудности по времени поворота получаются. Что то схем подходящих нет в интернете все пишут можно сделать по 2 часа поворот или вводят в заблуждение..
Вас не должно волновать время работы поворота, концевики отключат мотор в крайнем положении.
А таймер моно установить на любое время, только чтобы работа и пауза были равные по времени.
Вас не должно волновать время работы поворота, концевики отключат мотор в крайнем положении.
А таймер моно установить на любое время, только чтобы работа и пауза были равные по времени.
Влияют ли концевики на работу схемы где они должны стоять перед реле реверса или после ? у меня по собранной схеме поворот работает в одну сторону в часах в другую только в секундах .. я не могу сделать по 2 часа в каждую..
Какой в разы большей мощность? Канал управления вентилятором рассчитан на 1 ампер, то есть 220 ватт максимум, а учитывая индуктивный характер нагрузки, то в разы меньше. Не путайте вентилятор проветривания с основным вентилятором инкубатора.
Тут и путать нечего....проблемы начались только после!!!!! - повторю - ПОСЛЕ- установки вентилятора БОЛЬШЕЙ мощности....и искать причину где то ещё - нет оснований.....
К тому же = если как ВЫ говорите мощность несущественна - то и сбоя бы НЕ происходило.....ведь нет ни искрения ни причин для него??
Рубль пролетел мимо...пока искали 5 копеек в чужом глазу??
У ХМ 18 го - есть клеммы резервного питания - подключите бесперебойник и проблема обнуления не будет возникать при включении вентилятора...любой мощности...это уже проходили и в этой теме то же...неоднократно причем!
В том то и дело что пробовал. Это первое что посоветовали. Не помогло. Скорее всего все же дело в самой релюхе. Я ее полностью выпаял, надо будет расковырять посмотреть что там внутри. Был уже опыт разборки отказавших релюх с нагрева. Так там был сплошной кошмар.
Подключение вентилятора большей мощности привело к тому, что слабые контакты стали подгорать.
И появилось искрение. А искра - это мощный источник помех, приводящий к сбоям в электронной аппаратуре. Пора бы это знать. Не зря ведь придумали искрогасящие цепочки и ставят их параллельно контактам реле. Мощность нагревателей в любом инкубаторе существенно больше мощности вентилятора проветривания, но их включение не приводит к сбоям. Значит причина не в мощности, а в чем -то другом. В чем? Попробуйте угадать с одного раза.
Ребята. В любом случае вопрос закрыт. Яж написал что после замены реле этого вентилятора на твердртельное проблема исчезла. Значит там и была собака зарыта. Так смысл теперь спорить?
Ну если ВЫ - НЕ видите разницы между нагрузкой - НАгревателем.....и нагрузкой двигателем - у которого потребляемый ток в момент запуска и в рабочем режиме отличается в РАЗЫ - то о чем говорить.....
ВЫ прочтите хотя бы слова ТС - о том что сбой происходил именно в момент запуска вентилятора!!!! а не в момент включения нагревателей.....
Да и Вы мало чем отличаетесь от описываемых некоторых.....особенно когда сравнивать эл.двигатель с теном пытаетесь.....
В суфлёры подались?? - или подхалимы?
Я не о том КАК писать.....а о том что такие нагрузки не стоит сравнивать.....так что перевирать у Вас неплохо выходит тоже.....
А тот факт что проблема появилась именно в момент включения вентилятора - это вообще можно в расчеты не брать....особенно "гениям" электроники.....
Так это ты завидуешь....
А Я все реле сразу же выпаиваю и заменяю...без поисков советов гениев....не нравится мне их надежность ещё со времен занятий в радиокружке в школе....(хотя и убрать искрение легко RC цепочкой)
какая искра в симисторе? Снабер эта цепочка называется.И не для искры она ставится.Не вводите народ в заблуждение
Да, снабер (последовательно соединенные конденсатор и резистор в одном корпусе) гасит напряжение самоиндукции при отключении индуктивной нагрузки и защищает коммутационный прибор от пробоя повышенным напряжением. Были случаи когда прошивало конденсатор снабера, который был на 400 вольт и выгорал резистор , по этому желательно ставить конденсатор на 630 вольт. Такая же роль и у диода, подключаемого в обратном направлении параллельно обмотке реле в цепи постоянного тока. Снабер, подключенный параллельно контактам реле- это всё таки искрогасящая цепочка. Искрогасящая цепочка параллельно симистору-это конечно нонсенс, но назовите эту же цепочку снабером и это уже защитник симистора от пробоя. Вот такой вот парадокс "Как вы яхту назовёте, так она и поплывет".
Прошу подсказать. Кантролер ХМ 18 после зимы запустил инкубатор 2 дня в холостую полет нормальный. На 3 день показания температуры ХМ18 и техметра тм2 начали разница на1-1,3 градуса. Вопрос может ли датчик ХМ18 показывать некоректно.
А техметр - это цифровой ТМ-2? проблема решается просто: оба датчика - от ХМ-18 и от ТМ-2 подмышку или под язык и градусник туда же и будет понятно кто врёт. А можно оба датчика и градусник в теплую воду. У ТМ-2 могли батарейки подсесть.
Батарейки новые ,подмышку не получится все установлено так что к нему не подлесть .А снимать вытаскивать долго . Сегодня возьму психометр Вит 2 и проверю.
Здравствуйте столкнулся с проблемой на xm 18 при нажатии set и кнопки вниз не входит в настройки поворота. Отдельно кнопки работают как set так и кнопка вниз и в ручном режиме поворотный механизм работает штатно. Кто то сталкивался с таким?
А при нажатии set и кнопки вверх выходит на параметр "Р"? Сброс к заводским настройкам пробовали?
При нажатии set и вверх выходит на параметры p там всё хорошо. Сброс сделал не помогло. Этот инкубатор у меня стоял 2 года до этого всё работала. Ещё заметил когда пищит тревога в это время нажимаю на set и кнопку вниз писк ускоряется. Ни как не пойму что с ним.
Добрый вечер. Прочитала почти всю тему, в поисках ответа. С хм такая проблема:Дано: хм 18, на 15/16 подключен компьютерный вентилятор для охлаждения через понижайку. С первого раза, как подключили, вентилятор крутит не переставая, на настройки никак не реагирует, просто крутит постоянно на одной скорости. Всё остальное работает отлично. Верно ли я понимаю, что скорее всего проблема с реле внутри?
А что у вас установлено в параметре Р2? Установите 38,2.
Здравствуйте. Стоит 38,1. Уже не знаю, что и думать ( попробую уже на днях, запустили инкубатор. Придётся вентиль включать через таймер с умной розеткой, если адекватно не заработает.
Заинтересовала вот эта схема справа, она вроде подойдёт для актуатора ? Но вот вопрос поворот же будет крутиться в одну сторону в часах а в другую в секундах. То есть максимально 16 минут будет стоять в одну сторону лоток правильно ? Или я чего то не понимаю ?
В актуаторе есть концевики, которые отключают его в крайних положениях. При смене полярности напряжения актуатор крутит в другую сторону. Если применить какой-то другой двигатель, то концевики надо ставить отдельно.
А таймер должен включать поворот каждые 1-3 часа (F1=60-180) на время (F2=999) большее чем время поворота лотков
Спасибо.. Почему то у меня не правильно работает.. Я собрал вот по этой схеме на мотор редукторе на 12 вольт с концевиками , где ошибка ? Можете правильную схему скинуть ?
Схема очень даже правильная. Что тут может работать неправильно? Возможно концевики перепутали местами. Лотки идут влево, а нажимают на правый концевик. Что за мотор и диоды соответствуют току мотора?
У меня другой контроллер выход всего один (а не два как на ХМ18) и реле одно.. Вот по этому и трудности по времени поворота получаются. Что то схем подходящих нет в интернете все пишут можно сделать по 2 часа поворот или вводят в заблуждение..
Вас не должно волновать время работы поворота, концевики отключат мотор в крайнем положении.
А таймер моно установить на любое время, только чтобы работа и пауза были равные по времени.
Влияют ли концевики на работу схемы где они должны стоять перед реле реверса или после ? у меня по собранной схеме поворот работает в одну сторону в часах в другую только в секундах .. я не могу сделать по 2 часа в каждую..
1-2-3 часа реле в отключенном положении, и столько же во включенном положении.