если делать трехкомандную систему то надо три реле, у первого три группы контактов, у второго две, у третьего одной достаточно.
первое одной группой автоудержание, двумя группами - реверс.
второе реле - одна группа на автоудержание, вторая - включение мотора(реле реверса выключено)
третье реле - на размыкание. управляется импульсом с сигналки, кнопочного поста и от концевиков(объединяется через диоды)
если делать трехкомандную систему то надо три реле, у первого три группы контактов, у второго две, у третьего одной достаточно.
первое одной группой автоудержание, двумя группами - реверс.
второе реле - одна группа на автоудержание, вторая - включение мотора(реле реверса выключено)
третье реле - на размыкание. управляется импульсом с сигналки, кнопочного поста и от концевиков(объединяется через диоды)
если делать трехкомандную систему то надо три реле, у первого три группы контактов, у второго две, у третьего одной достаточно.
первое одной группой автоудержание, двумя группами - реверс.
второе реле - одна группа на автоудержание, вторая - включение мотора(реле реверса выключено)
третье реле - на размыкание. управляется импульсом с сигналки, кнопочного поста и от концевиков(объединяется через диоды)
одна в запасе можно будет на нее подключить промежуточную остановку.
забыл сказать если сигнализация на 12 вольт то и реле надо 12 в постоянного тока обязательно
три реле сложно у меня одно на открывание другое на закрывание и
в крышке реле пропил сделан и если надо приоткрыть или пройти а ключей нет то я пальцем нажимаю на контакты реле а если остановить то на концевик.
три реле сложно у меня одно на открывание другое на закрывание
Мне почему-то тоже так думается.
"Константиныч" пишет:
если делать трехкомандную систему то надо три реле, у первого три группы контактов, у второго две, у третьего одной достаточно.
первое одной группой автоудержание, двумя группами - реверс.
второе реле - одна группа на автоудержание, вторая - включение мотора(реле реверса выключено)
третье реле - на размыкание. управляется импульсом с сигналки, кнопочного поста и от концевиков(объединяется через диоды)
Есть довольно типовая схема и она у Фила на первой странице этой темы. Вот она, но уже с третьей релюшкой для остановки ворот в промежуточном положении. Но 3 секунды на остановку.
На скорую руку, но вроде все так. К3 общая на два мотора. 1 и 2 - контакты сигналки открывание закрывание центрального замка.
забыл сказать если сигнализация на 12 вольт то и реле надо 12 в постоянного тока обязательно
Блин, а вот тут я ступил в прошлом месяце. Ведь они и правда есть и на 24 для грузовиков, тогда бы мне не пришлось делать два напряжения.
"fil78" пишет:
в крышке реле пропил сделан и если надо приоткрыть или пройти а ключей нет то я пальцем нажимаю на контакты реле а если остановить то на концевик.
Сейчас есть релюшки у которых на корпусе есть маленькая пимпочка в виде флажка. Нажимаешь на него и контакты замыкаются, поворачиваешь и они остаются замкнутыми постоянно. Дорогие только падлы.
да, примерно так третье реле, только в моем варианте концевики на замыкание и управляют третьим реле, но да это не принципиально.
так же можно добавить кнопочный пост с тремя кнопками "открыть, закрыть, стоп" где-нибудь внутри двора.
если вдруг сигналка дает задержку по какому-то каналу, то ничего не мешает его использовать на закрывание например, а на останов использовать сигнал без задержки(за три секунды можно бед натворить))
ейчас есть релюшки у которых на корпусе есть маленькая пимпочка в виде флажка.
у меня такие начало стояли но посте того как не сработал концевик и не было тепловой реле контакты погорели и пришлось покупать без пимпочек. я ручным открыванием часто пользуюсь, можно было и кнопки вывести но так как я все таки не доделал коробку то и лень замачиваться
ее надо еще подработать и вторую воротину добавить. wink
а может параллельно двигателя за питать и отдельно на них транс вольт 24 (у меня на мотор 12 в 36 вольт год работал на прямую потом поменял привод и поставил через реостат, можно скорость регулировать)
а может параллельно двигателя за питать и отдельно на них транс вольт 24 (у меня на мотор 12 в 36 вольт год работал на прямую потом поменял привод и поставил через реостат, можно скорость регулировать)
Можно и так.
А вот для регулировки скорости ШИМ бы и 24 вольта. И мощность прибавит и регулировать можно без потери мощности, но тогда могут редуктора не выдержать.
Ну что там Серёга78, устраивает такая схема? Если да то это сырьё, ее надо еще подработать и вторую воротину добавить.
Я же писал меня любая простая схема устраивает, но в этой я как то не разобрался! Для меня понятнее когда на схеме все указано, реле отдельно концевик отдельно, ввод от сигналки отдельно.
давайте так вы собираете комплектующие , выкладываете фото а мы показываем что куда надо припаять.
1- определитесь с трансформаторами. мое мнение что на сигнализацию надо отдельно на 12 вольт постоянку ват до 100
2-силовой трансформатор на эл. двигатели на 24 вольта ват 200
3- реле на 12 вольт постоянка
а дальше видно будет.
1- определитесь с трансформаторами. мое мнение что на сигнализацию надо отдельно на 12 вольт постоянку ват до 100
У меня стоит ватт наверное на 20, сигналка мало потребляет а включена круглосуточно так что чем меньше транс тем лучше( ну конечно в разумных пределах). Сереге лучше будет купить готовый БП на 12В, и мне кажется что не импульсный как в зарядниках для мобил, а с трансформатором. 1 ампер вполне хватит, а вот на моторы да, ватт на 200 и что нибудь простенькое придумать чтоб отключался когда не нужен. Можно как раз свободную группу контактов релюшек использовать.
"Серёга78" пишет:
Я же писал меня любая простая схема устраивает, но в этой я как то не разобрался!
Да уж проще только швейцар в белых перчатках
Фил Вам уже второй раз про фотки говорит.
Смысла в фотографиях не вижу если только блок питания, и то хочу позже поставить аккумулятор и зарядник, если подскажете как буду благодарен, а пока :
1. стеклоподьемники на 12 вольт обыкновенные, фотка не чего не изменит
2. сигналка буду использовать два проводка которые выходят из блока и идут на центральный замок, смысл фотографировать?
3. блок питания фото снизу
Концевики какие нибудь механические, что под руку попадется, а реле какие вы посоветуете!
стеклоподьемники на 12 вольт обыкновенные, фотка не чего не изменит
Да, они на всех машинах одной марки.
"Серёга78" пишет:
сигналка буду использовать два проводка которые выходят из блока и идут на центральный замок, смысл фотографировать?
Согласен. Действительно, какая разница два провода на которых всего лишь меняется полярность при закрывании и открывании ЦЗ или отдельный разъем с шестью проводами( которые можно соединить так как необходимо в зависимости от желаемого результата). Это не принципиально.
"Серёга78" пишет:
Концевики какие нибудь механические, что под руку попадется
Тоже правильно. Допустим ток на приводах получился 5А, а концевики под руку попались с допустимым 0,5А, ну и что страшного?
"Серёга78" пишет:
а реле какие вы посоветуете!
Можно и посоветовать. Только для совета надо ток двигателя знать, но
"Серёга78" пишет:
Смысла в фотографиях не вижу
И так наверное на всех форумах?
Мало сказать "я хочу", надо еще сказать что именно хочется.
Серёга78 вы не понимаете по схеме, и вам советуют выложить все запчасти в одной фотке, а ребята знающие уже нарисуют на фотке как и чего соединять. . Но лично у меня сложилось мнение что либо вам 13 лет либо вы тролль. Две страницы советов, а вам как об стенку горох. Если действительно нужна помощь потрудитесь сформулировать что именно нужно?
может я с другой планеты? или пишу на не понятном языке? Имеем: два свеклоподъемника на 12 вольт, блок питания на 12 вольт, фото выкладывал, сигналку от авто на 12 вольт с брилоками на которых две кнопки открывания и закрывания дверей, то есть с блока сигнализации берем два провода при нажатии на кнопки откр. и закр. меняется полярность, концевики любые механические. Теперь самое интересное, из всего этого нужно собрать схему на релюшках самую простую для открывания и закрывания ворот, поясняю! при нажатии на кнопку брелока сигнализации от авто, моторы стеклоподъемников должны начинать вращаться в одну сторону пока концевики их не отключат, при нажатии на другую кнопку моторы дожны начать вращаться в другую сторону пока их не отключат концевики. Вроде все, если не понятно то вы либо издеваетесь, либо вам 13 лет!
на первой странице схема нарисованна. что по ней не понятно спрашивайте, фото релюшек я выложил.
блок питания подойдет для подключения цепи управления (сигналки, реле,концевиков) для двигателей слабый. надо мое мнение на 24 в 200 ват. вот схема управления нарисованна . собераете ее и пробуете. при нажатии должны срабатывать реле до тех пор пок не разомкнут концевики. потом в эту схему добавим электродвигатели.
Спасибо. Схему эту уже видел, фото реле тоже, но по фотки проще искать человека, а для релюшек маркировку не плохо бы узнать. Если не трудно посмотрите что на них написано или от чего они. Да и еще эта схема для одного мотора, а у меня будет два.
двигателя параллельно или через третюю пару контактов, так будет лутше, а реле у меня с четмя групами контактов (какие нашел) маркировку не скажу стерта. подсоеденяйте по этой схеме упровление а силовую потом подключем. еше раз в вашем случае реле с 3 парами контактов
Вы извините, но как-то сразу вспомнилось "голь на выдумки хитра". Точно не прикидывал, но мне думается, вы уже давно переплюнули бюджет покупной автоматики.
Вы извините, но как-то сразу вспомнилось "голь на выдумки хитра". Точно не прикидывал, но мне думается, вы уже давно переплюнули бюджет покупной автоматики.
Непонятно конечно про что Вы и что Вас навело на такие мысли, но поговорка очень хорошая и лично я довольно часто следую именно этим словам.
Ох, к чему это я? А, да...
Я, по роду своей деятельности (не только основной), часто смотрю за форумами всяких "самоделок". Начиная от автоматики для ворот, заканчивая станками и всякой подобной лабудой. Так вот, заметил, что такими штуками по-большинству занимаются люди, исходя из принципа "все это уже есть, но я сделаю дешево". И потом начинают хитрить. Ухитряются делать "штуковины" из зап. частей, предназначенных совсем для другого. Да, по результату практически всегда получается не дешевле, как заявлялось изначально. Но каждый раз, просматривая такие темы, восхищаюсь, до чего же люди бывают охочи до выдумок. Самое странное, что во всем этом есть, что эти люди, имея достаточно высокий уровень интеллекта, не могут придумать как заработать деньги. Вот за то время, что человек потратил на изготовление привода, нельзя было работая получить намного большее? И радоваться покупному хорошему приводу, да еще и останется. Но мне кажется, что те, кто делают такие самоделки, немного лукавят. Вовсе не экономия толкает их на работы. Я думаю, что это просто хобби такое, "штуки" собирать. А деньги, это отговорка. Ну, как рыбаки, потратившие кучу денег на снарягу, наживку, бензин и все подобное пытаются убедить, как выгодно ловить рыбу.
Извиняюсь за некоторую сумбурность (ребенок бегает, отвлекает). Надеюсь суть моей мысли понятна.
Понятно.
По роду своей деятельности( не только основной), часто сталкиваюсь с подобными высказываниями людей способных делать деньги( не зарабатывать, а именно делать). Как правило это не производственники а торгаши и к людям труда они относятся как к недочеловекам. Им не понятно как это так, человек доказал теорему Пуанкаре и в то же время не может заработать достаточно денег на жизнь( тоже понятие довольно скользкое).
К сожалению( но при этом к счастью для вас) большинство людей не умеет делать деньги, просто не такой склад ума. Вы считаете таких людей ленивыми.
Ох, к чему это я? А, да... Делайте деньги и... ради Бога никогда не лезьте в производство - прогорите сами и рабочим много плохого сделаете. Ваш удел - торговля и не более того, большее не потянете.
Извиняюсь за некоторую сумбурность (кот бегает, отвлекает). Надеюсь суть моей мысли понятна.
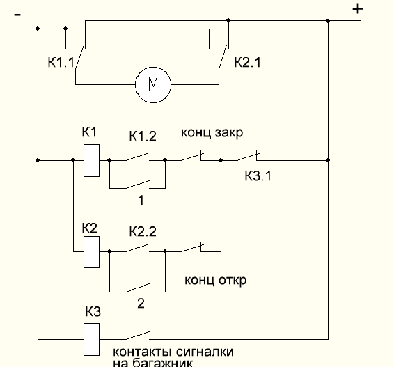
теперь по контактам , болжно быть три группы контактов на рисунке выглядет так
fil78, а зачем три группы? одной включение мотора, вторая для автоудержания, а третья куда? И на Вашей схеме вроде две.
если делать трехкомандную систему то надо три реле, у первого три группы контактов, у второго две, у третьего одной достаточно.
первое одной группой автоудержание, двумя группами - реверс.
второе реле - одна группа на автоудержание, вторая - включение мотора(реле реверса выключено)
третье реле - на размыкание. управляется импульсом с сигналки, кнопочного поста и от концевиков(объединяется через диоды)
привет.то что надо
Не понял, лучше бы картинку чем слова.
одна в запасе
можно будет на нее подключить промежуточную остановку.
забыл сказать если сигнализация на 12 вольт то и реле надо 12 в постоянного тока обязательно
три реле сложно у меня одно на открывание другое на закрывание и
в крышке реле пропил сделан и если надо приоткрыть или пройти а ключей нет то я пальцем нажимаю на контакты реле а если остановить то на концевик.
Вот теперь понятно, вот это по нашему
Мне почему-то тоже так думается.
Есть довольно типовая схема и она у Фила на первой странице этой темы. Вот она, но уже с третьей релюшкой для остановки ворот в промежуточном положении. Но 3 секунды на остановку.
На скорую руку, но вроде все так. К3 общая на два мотора. 1 и 2 - контакты сигналки открывание закрывание центрального замка.
Блин, а вот тут я ступил в прошлом месяце. Ведь они и правда есть и на 24 для грузовиков, тогда бы мне не пришлось делать два напряжения.
Сейчас есть релюшки у которых на корпусе есть маленькая пимпочка в виде флажка. Нажимаешь на него и контакты замыкаются, поворачиваешь и они остаются замкнутыми постоянно. Дорогие только падлы.
да, примерно так третье реле, только в моем варианте концевики на замыкание и управляют третьим реле, но да это не принципиально.
так же можно добавить кнопочный пост с тремя кнопками "открыть, закрыть, стоп" где-нибудь внутри двора.
если вдруг сигналка дает задержку по какому-то каналу, то ничего не мешает его использовать на закрывание например, а на останов использовать сигнал без задержки(за три секунды можно бед натворить))
у меня такие начало стояли но посте того как не сработал концевик и не было тепловой реле контакты погорели и пришлось покупать без пимпочек. я ручным открыванием часто пользуюсь, можно было и кнопки вывести но так как я все таки не доделал коробку то и лень замачиваться
Ну что там Серёга78, устраивает такая схема? Если да то это сырьё, ее надо еще подработать и вторую воротину добавить.
а может параллельно двигателя за питать и отдельно на них транс вольт 24 (у меня на мотор 12 в 36 вольт год работал на прямую потом поменял привод и поставил через реостат, можно скорость регулировать)
Можно и так.
А вот для регулировки скорости ШИМ бы и 24 вольта. И мощность прибавит и регулировать можно без потери мощности, но тогда могут редуктора не выдержать.
Я же писал меня любая простая схема устраивает, но в этой я как то не разобрался! Для меня понятнее когда на схеме все указано, реле отдельно концевик отдельно, ввод от сигналки отдельно.
давайте так вы собираете комплектующие , выкладываете фото а мы показываем что куда надо припаять.
1- определитесь с трансформаторами. мое мнение что на сигнализацию надо отдельно на 12 вольт постоянку ват до 100
2-силовой трансформатор на эл. двигатели на 24 вольта ват 200
3- реле на 12 вольт постоянка
а дальше видно будет.
У меня стоит ватт наверное на 20, сигналка мало потребляет а включена круглосуточно так что чем меньше транс тем лучше( ну конечно в разумных пределах). Сереге лучше будет купить готовый БП на 12В, и мне кажется что не импульсный как в зарядниках для мобил, а с трансформатором. 1 ампер вполне хватит, а вот на моторы да, ватт на 200 и что нибудь простенькое придумать чтоб отключался когда не нужен. Можно как раз свободную группу контактов релюшек использовать.
Да уж проще только швейцар в белых перчатках
Фил Вам уже второй раз про фотки говорит.
Смысла в фотографиях не вижу если только блок питания, и то хочу позже поставить аккумулятор и зарядник, если подскажете как буду благодарен, а пока :
1. стеклоподьемники на 12 вольт обыкновенные, фотка не чего не изменит
2. сигналка буду использовать два проводка которые выходят из блока и идут на центральный замок, смысл фотографировать?
3. блок питания фото снизу
Концевики какие нибудь механические, что под руку попадется, а реле какие вы посоветуете!
Да, они на всех машинах одной марки.
Согласен. Действительно, какая разница два провода на которых всего лишь меняется полярность при закрывании и открывании ЦЗ или отдельный разъем с шестью проводами( которые можно соединить так как необходимо в зависимости от желаемого результата). Это не принципиально.
Тоже правильно. Допустим ток на приводах получился 5А, а концевики под руку попались с допустимым 0,5А, ну и что страшного?
Можно и посоветовать. Только для совета надо ток двигателя знать, но
И так наверное на всех форумах?
Мало сказать "я хочу", надо еще сказать что именно хочется.
А что еще надо? Вроде уже все написано?
Исчерпывающая схема
Серёга78 вы не понимаете по схеме, и вам советуют выложить все запчасти в одной фотке, а ребята знающие уже нарисуют на фотке как и чего соединять. . Но лично у меня сложилось мнение что либо вам 13 лет либо вы тролль. Две страницы советов, а вам как об стенку горох.
Если действительно нужна помощь потрудитесь сформулировать что именно нужно?
может я с другой планеты? или пишу на не понятном языке? Имеем: два свеклоподъемника на 12 вольт, блок питания на 12 вольт, фото выкладывал, сигналку от авто на 12 вольт с брилоками на которых две кнопки открывания и закрывания дверей, то есть с блока сигнализации берем два провода при нажатии на кнопки откр. и закр. меняется полярность, концевики любые механические. Теперь самое интересное, из всего этого нужно собрать схему на релюшках самую простую для открывания и закрывания ворот, поясняю! при нажатии на кнопку брелока сигнализации от авто, моторы стеклоподъемников должны начинать вращаться в одну сторону пока концевики их не отключат, при нажатии на другую кнопку моторы дожны начать вращаться в другую сторону пока их не отключат концевики. Вроде все, если не понятно то вы либо издеваетесь, либо вам 13 лет!
на первой странице схема нарисованна. что по ней не понятно спрашивайте, фото релюшек я выложил.
блок питания подойдет для подключения цепи управления (сигналки, реле,концевиков) для двигателей слабый. надо мое мнение на 24 в 200 ват. вот схема управления нарисованна . собераете ее и пробуете. при нажатии должны срабатывать реле до тех пор пок не разомкнут концевики. потом в эту схему добавим электродвигатели.
Спасибо. Схему эту уже видел, фото реле тоже, но по фотки проще искать человека, а для релюшек маркировку не плохо бы узнать. Если не трудно посмотрите что на них написано или от чего они. Да и еще эта схема для одного мотора, а у меня будет два.
двигателя параллельно или через третюю пару контактов, так будет лутше, а реле у меня с четмя групами контактов (какие нашел) маркировку не скажу стерта. подсоеденяйте по этой схеме упровление а силовую потом подключем. еше раз в вашем случае реле с 3 парами контактов
Вы извините, но как-то сразу вспомнилось "голь на выдумки хитра". Точно не прикидывал, но мне думается, вы уже давно переплюнули бюджет покупной автоматики.
Непонятно конечно про что Вы и что Вас навело на такие мысли, но поговорка очень хорошая и лично я довольно часто следую именно этим словам.
Ох, к чему это я? А, да...
Я, по роду своей деятельности (не только основной), часто смотрю за форумами всяких "самоделок". Начиная от автоматики для ворот, заканчивая станками и всякой подобной лабудой. Так вот, заметил, что такими штуками по-большинству занимаются люди, исходя из принципа "все это уже есть, но я сделаю дешево". И потом начинают хитрить. Ухитряются делать "штуковины" из зап. частей, предназначенных совсем для другого. Да, по результату практически всегда получается не дешевле, как заявлялось изначально. Но каждый раз, просматривая такие темы, восхищаюсь, до чего же люди бывают охочи до выдумок. Самое странное, что во всем этом есть, что эти люди, имея достаточно высокий уровень интеллекта, не могут придумать как заработать деньги. Вот за то время, что человек потратил на изготовление привода, нельзя было работая получить намного большее? И радоваться покупному хорошему приводу, да еще и останется. Но мне кажется, что те, кто делают такие самоделки, немного лукавят. Вовсе не экономия толкает их на работы. Я думаю, что это просто хобби такое, "штуки" собирать. А деньги, это отговорка. Ну, как рыбаки, потратившие кучу денег на снарягу, наживку, бензин и все подобное пытаются убедить, как выгодно ловить рыбу.
Извиняюсь за некоторую сумбурность (ребенок бегает, отвлекает). Надеюсь суть моей мысли понятна.
Понятно.
По роду своей деятельности( не только основной), часто сталкиваюсь с подобными высказываниями людей способных делать деньги( не зарабатывать, а именно делать). Как правило это не производственники а торгаши и к людям труда они относятся как к недочеловекам. Им не понятно как это так, человек доказал теорему Пуанкаре и в то же время не может заработать достаточно денег на жизнь( тоже понятие довольно скользкое).
К сожалению( но при этом к счастью для вас) большинство людей не умеет делать деньги, просто не такой склад ума. Вы считаете таких людей ленивыми.
Ох, к чему это я? А, да... Делайте деньги и... ради Бога никогда не лезьте в производство - прогорите сами и рабочим много плохого сделаете. Ваш удел - торговля и не более того, большее не потянете.
Извиняюсь за некоторую сумбурность (кот бегает, отвлекает). Надеюсь суть моей мысли понятна.