Вы здесь

Самодельная лестница на кабину МТЗ-80(малая). Страница 2 из 2

Перейти к полной версии/Вернуться
35 сообщений
30.12.2013 - 21:44
: 6344

Спасибо коллега. Отличный вариант !

Россия
: Псков
17.01.2018 - 12:13
: 127
колупатор пишет:

Serega_Pskov пишет:

Решил начать тюнинг своего "нового" трактора с подножки), а то штатная и так не сильно удобная, так еще и висела почти вертикально, да заодно попрактиковался в 3д проектировании.


Так как уже приходилось загибать лестницу на Т-25, то решил для МТЗ сделать разборную, ее в случае чего рихтовать будет намного проще.


Посмотрел, что все делают через резинку и подкос соорудил из маленькой реактивной тяги ВАЗ. после установки выявился незапланированный эффект - в кабинете стало ощутимо тише, видимо старый вариант с жестким подкосом передавал вибрации в кабину. Ну и конечно намного теперь проще в трактор заходить, а не вскарабкиваться.

Офигенно. Видно что есть доступ к нарезка металла и загибы хорошо исполнены. [изображение]

[изображение]

Я делаю из просечной ленты ступеньки на подножки

Я дома "рисую" а ребята на заводе режут на лазере и гнут на ЧПУ. в этот раз не дешево получилось, но оно того стоит. Можно сделать из простой полосы, и зубчики болгаркой, но будет не так аккуратно. А так понемногу, может весь трактор в порядок приведу.

наша раша
: 5км от д. Гадюкино.просто Котлован.
26.09.2018 - 21:11
: 8009
Serega_Pskov пишет:

колупатор пишет:

Serega_Pskov пишет:

Решил начать тюнинг своего "нового" трактора с подножки), а то штатная и так не сильно удобная, так еще и висела почти вертикально, да заодно попрактиковался в 3д проектировании.



Так как уже приходилось загибать лестницу на Т-25, то решил для МТЗ сделать разборную, ее в случае чего рихтовать будет намного проще.



Посмотрел, что все делают через резинку и подкос соорудил из маленькой реактивной тяги ВАЗ. после установки выявился незапланированный эффект - в кабинете стало ощутимо тише, видимо старый вариант с жестким подкосом передавал вибрации в кабину. Ну и конечно намного теперь проще в трактор заходить, а не вскарабкиваться.

Офигенно. Видно что есть доступ к нарезка металла и загибы хорошо исполнены. [изображение]


[изображение]


Я делаю из просечной ленты ступеньки на подножки

Я дома "рисую" а ребята на заводе режут на лазере и гнут на ЧПУ. в этот раз не дешево получилось, но оно того стоит. Можно сделать из простой полосы, и зубчики болгаркой, но будет не так аккуратно. А так понемного, может весь траткор в порядок приведу.

good

Россия
: Псков
17.01.2018 - 12:13
: 127

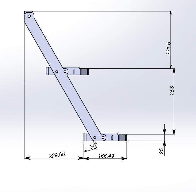
Если кому то поможет, то скидываю описание и габариты своей лестницы.
Размеры не круглые, потому что это уже производные. основные задавал по плоским деталям и другим ракурсам.
ширина ступеньки 250 мм. 280 мм было бы удобнее (первую такую сделал) но это уже много, даже если сдвигать вперед, до стойки кабины вплотную, то до колеса маловато места остается, с широкими ступеньками нужно либо делать изогнутые "косоуры" либо разворачивать всю подножку относительно продольной оси трактора.
На картинке не одинаковое расстояние между ступеньками, это сделано специально, с учетом высоты порога кабины. шагать удобно. Подпорку (видно на фото в посте выше) из коротенькой реактивной тяги ВАЗ сделал. пришлось разрезать и удлинить с помощью трубы. Хороший вариант с ней, в кабине стало тише. Ранньше жесткий уголок был, видимо вибрацию передавал.
Вообще подножка, это первая моя доработка в МТЗ после покупки, каюсь, даже фильтра позже поменял) но уж очень неудобно со штатной было залезать, а в моем еще и ручки на панели нет. Зато теперь можно без рук в кабинет восходить )
а еще, оказалось, что есть нормативные документы, в которых в том числе и требования к подножкам указаны ! https://legalacts.ru/doc/sanitarnye-pravila-po-ustroistvu-traktorov-i-se...